您現在所在位置:大田閥門 >> 襯氟閥門(襯里閥門)
設計與制造:GB12239
結構長度:GB12221、JB1688
法蘭連接尺寸:GB4216、JB78
G6K41F(無襯里)、G6K41Fs(襯氟塑料)氣動隔膜閥(常開型)用于控制非腐蝕性或強腐蝕性介質,閥體內腔表面無襯里或覆有可供選擇的各種氟塑料,適用于不同工作溫度和流體管路。
適用溫度:≤85℃、≤100℃、≤120℃、≤150℃、(可按照襯里和隔膜材料)
壓力等級:0.6、1.0、1.6
襯里層:電火花檢測
實驗與檢驗按GB/T13927標準
公稱壓力:PN
閥體:PN×1.5
密封:PN×1.1材料:
閥體:鑄鐵、球墨鑄鐵、碳鋼、不銹鋼
閥蓋:鑄鐵、球墨鑄鐵、碳鋼、不銹鋼襯里:不襯里、氟塑料
隔膜:氟塑料
閥瓣:鑄鐵、碳鋼
氣缸:球墨鑄鐵
活塞:碳鋼
閥桿:碳鋼
手輪:鑄鐵
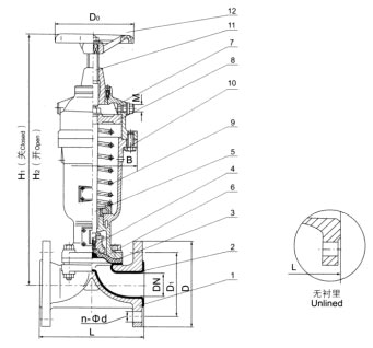
部件列表:1、閥體2、閥體襯里3、隔膜4、閥瓣5、下閥桿6、閥蓋7、氣缸8、活塞9、彈簧10、氣缸蓋11、上閥桿12、手輪

| DN | 公稱壓力 | 工作壓力 | L | D | D1 | n-Фd | f | H1 | H2 | D0 | B | 氣源 壓力 |
氣源接頭 | 耗氣量 | 重量 |
|---|---|---|---|---|---|---|---|---|---|---|---|---|---|---|---|
| 15 | 0.6 | 1.0 | 125 | 95 | 65 | 4-14 | 2 | ||||||||
| 20 | 139 | 105 | 75 | 4-14 | 2 | ||||||||||
| 25 | 145 | 115 | 85 | 4-14 | 2 |
306 |
320 |
120 |
94 |
0.4 |
10×1 |
2.395×102 |
7.5 |
||
| 32 | 160 | 145 | 100 | 418 | 2 |
|
|
140 |
120 |
0.4 |
12×1.25 |
6.082×102 |
14.5 |
||
| 40 | 180 | 150 | 110 | 4-18 | 3 |
415 |
435 |
140 |
120 |
0.4 |
12×1.25 |
6.082×102 |
16 |
||
| 50 | 210 | 165 | 125 | 4-18 | 3 |
463 |
488 |
160 |
185 |
0.4 |
12×1.25 |
1.235×102 |
24.5 |
||
| 65 | 0.6 | 250 | 185 | 145 | 4-18 | 3 |
|
|
160 |
|
0.5 |
16×1.5 |
|
30 |
|
| 80 | 300 | 200 | 160 | 4-18 | 3 |
627 |
687 |
200 |
245 |
0.5 |
16×1.5 |
3.725×103 |
51.5 |
||
| 100 | 350 | 220 | 180 | 8-18 | 3 |
719 |
769 |
240 |
330 |
0.5 |
16×1.5 |
9.458×103 |
86.5 |
||
| 125 | 400 | 250 | 210 | 8-18 | 3 |
804 |
872 |
320 |
380 |
0.5 |
20×1.5 |
1.409×104 |
133 |
||
| 150 | 460 | 285 | 240 | 8-22 | 3 |
920 |
1000 |
320 |
470 |
0.5 |
20×1.5 |
2.868×104 |
196.5 |
||
| 200 | 570 | 340 | 295 | 8-22 | 4 |
1145 |
1265 |
400 |
470 |
0.5 |
20×1.5 |
4.619×104 |
279.5 |
||
| 250 | 0.4 | 680 | 395 | 350 | 12-22 | 4 |
溫馨提示:
本文中所有文字、數據、圖片均只適用于參考。需要查看更多的G6K41F(無襯里)、G6K41Fs(襯氟塑料)氣動隔膜閥(常開型)性能參數、結構尺寸參數、價格等詳情,或要求印刷樣本,請聯系我們。