大田閥門公司生產銷售的Q63c1F(PPL)-10氣動放料球閥是一種特殊結構的放料球閥,閥座與端面法蘭距離近,物料滯留少,結構緊湊,密封性能優越,用于精細化工、制藥、化工行業有反應鍋上,也可用在細軟顆粒介質輸送。采用PPL密封材料,更具耐磨,是牙膏行業真空制膏鍋放料的最常用產品。

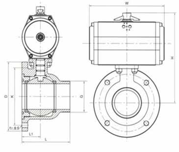
| 通徑DN | G | L | L1 | D | K | n-Φd | H | W | |
|---|---|---|---|---|---|---|---|---|---|
| mm | in | ||||||||
| 25 | 1″ | G1″ | 72 | 22 | 100 | 78 | 4-Φ10 | 160 | 140 |
| 40 | 1 1/2″ | G1/2″ | 92 | 31 | 130 | 100 | 4-Φ12 | 18/0 | 164 |
| 50 | 2″ | G2″ | 112 | 41 | 150 | 130 | 4-Φ14 | 220 | 190 |
| 65 | 2 1/2″ | G21/2″ | 125 | 46 | 190 | 155 | 4-Φ14 | 250 | 210 |
| 80 | 3″ | G3″ | 160 | 57 | 205 | 170 | 4-Φ14 | 275 | 247 |
| 100 | 4″ | G4″ | 175 | 68 | 235 | 200 | 4-Φ18 | 310 | 276 |
Q641c1為雙法蘭結構,出口端為GB9113或JB79 PN10標準法蘭。
主營產品:氣動調節閥 - 電動調節閥 - 自力式調節閥
版版權所有 © 上海大田閥門管道工程有限公司
地址:上海市浦東新區川宏路528號宏圖大樓5樓
