您現在所在位置:大田閥門 >> 襯膠閥門(襯里閥門)
AG41W(無襯里)、AG41J(襯膠)堰式隔膜閥專用于控制非腐蝕性或一般腐蝕性介質,閥體內腔表面無襯里或覆有可供選擇的各種橡膠,適用于不同工作溫度和流體管路。 適用溫度:≤85℃、≤100℃、≤120℃、≤150℃(按照襯里和隔膜材料) 壓力等級:(磅)125 150
設計與制造:BS5156、GB12239
結構長度:BS5156、GB12221
法蘭連接尺寸:BS504、DIN2532、JIS B2212、ANSI B16.1、IS02004
襯里層:電火花檢測
實驗與檢驗按:API598標準 公稱壓力磅(Lb)
閥體:Lb×1.5 密封:Lb×1.1
材料:閥體:鑄鐵、球墨鑄鐵、碳鋼、不銹鋼
閥蓋:鑄鐵、球墨鑄鐵、碳鋼、不銹鋼
襯里:無襯里、橡膠 隔膜:橡膠 閥瓣:鑄鐵 閥桿:碳鋼 、不銹鋼 手輪:鑄鐵

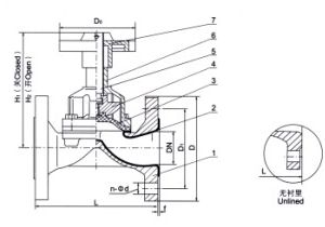
部件列表 1、閥體2、閥體襯里3、隔膜4、閥瓣5、下閥桿 6、閥蓋 7、手輪
| 公稱通徑 | 公稱壓力 | L | D | D1 | n-Фd | f | |
|---|---|---|---|---|---|---|---|
| DN | NPS | ||||||
| 15 | 1/2 | 150 | 108/125 | 89/31/2 | 60.5/23/8 | 4-5/8 | 2 |
| 20 | 3/4 | 117/135 | 98/37/8 | 70/23/4 | 4-5/8 | 2 | |
| 25 | 1 | 127/145 | 108/41/4 | 79.5/31/8 | 4-5/8 | 2 | |
| 32 | 11/4 | 146/160 | 117/45/8 | 89/31/2 | 4-5/8 | 2 | |
| 40 | 11/2 | 159/180 | 127/5 | 98.5/37/8 | 4-5/8 | 2 | |
| 50 | 2 | 190/210 | 152/6 | 120.5/43/4 | 4-3/4 | 2 | |
| 65 | 21/2 | 216/250 | 178/7 | 139.5/51/2 | 4-3/4 | 2 | |
| 80 | 3 | 254/300 | 190/71/2 | 152.5/6 | 4-3/4 | 2 | |
| 100 | 4 | 305/350 | 229/9 | 190.5/71/2 | 8-3/4 | 2 | |
| 125 | 5 | 356/400 | 254/10 | 216/81/2 | 8-7/8 | 2 | |
| 150 | 6 | 406/460 | 279/11 | 241.5/91/2 | 8-7/8 | 2 | |
| 200 | 8 | 521/570 | 343/131/2 | 298.5/113/4 | 8-7/8 | 2 | |
| 250 | 10 | 635/680 | 406/16 | 362/141/4 | 12-1 | 2 | |
| 300 | 12 | 749/790 | 483/19 | 432/17 | 12-1 | 2 | |
| 350 | 14 | 787/900 | 533/21 | 476/183/4 | 12-11/8 | 2 | |
| 400 | 16 | 914/1000 | 597/231/2 | 540/211/4 | 16-11/8 | 2 | |
溫馨提示:
本文中所有文字、數據、圖片均只適用于參考。需要查看更多的AG41W(無襯里)、AG41J(襯膠)堰式隔膜閥性能參數、結構尺寸參數、價格等詳情,或要求印刷樣本,請聯系我們。
主營產品:氣動調節閥 - 電動調節閥 - 自力式調節閥
版版權所有 © 上海大田閥門管道工程有限公司
地址:上海市浦東新區川宏路528號宏圖大樓5樓
