概述
GI系列高真空蝶閥用于接通或切斷真空管路中的氣流;閥門開閉有鎖定功能 適用的工作介質為為純凈空氣和非腐蝕性氣體。
主要性能規范
| 公稱通徑 |
32 |
40 |
50 |
65 |
80 |
100 |
125 |
150 |
200 |
250 |
300 |
| 適用范圍 |
1.33X0-4~1.02X05 |
| 介質溫度 |
-25~80 |
| 連接法蘭 |
JB/T919 GB/6070 |
| 漏氣速率 |
≤1.33X0-4 |
| 流導(分子流) |
25 |
48 |
97 |
178 |
260 |
546 |
938 |
1328 |
2611 |
3962 |
6159 |
采用標準
| 設計制造 |
連接法蘭 |
檢驗與試驗 |
| JB/T4079 91 |
JB/T919 GB/T6070 |
JB/T1079 JB/T6446 |
主要零件
| 零件名稱 |
閥體和蝶板 |
構件 |
密封墊(閥體、蝶板) |
 |
| 材料 |
碳素鋼(鍍鎳) |
2Cr13 |
丁腈橡膠 |
| 不銹鋼 |
不銹鋼 |
丁腈橡膠/氟橡膠 |
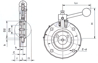
主要尺寸及和重量
| 型號 |
公稱通徑 |
主要尺寸 |
重量 |
| D |
L |
LO≈ |
H≈ |
D1 |
Z-d |
D2 |
b |
h |
f≈ |
f1≈ |
c≈ |
| Gl-32 |
32 |
78 |
22 |
82 |
76 |
64 |
4-7 |
36 |
5.3 |
3 |
5.8 |
5.8 |
11 |
0.74 |
| Gl-40 |
40 |
85 |
22 |
82 |
80 |
70 |
4-7 |
44 |
5.3 |
3 |
9.6 |
9.6 |
11 |
0.86 |
| Gl-50 |
50 |
100 |
22 |
95 |
98 |
90 |
4-9 |
55 |
5.3 |
3 |
14.5 |
14.5 |
11 |
1.35 |
| Gl-80 |
80 |
145 |
30 |
132 |
153 |
125 |
4-9 |
85 |
5.3 |
3 |
25.5 |
25.5 |
15 |
3.19 |
| Gl-100 |
100 |
170 |
30 |
132 |
165 |
145 |
4-12 |
105 |
5.3 |
3 |
35.4 |
35.4 |
15 |
3.9 |
| Gl-150 |
150 |
220 |
35 |
167 |
200 |
195 |
8-12 |
156 |
8 |
4.5 |
57.8 |
57.8 |
17.5 |
6.67 |
| Gl-200 |
200 |
275 |
40 |
232 |
295 |
250 |
8-12 |
208 |
8 |
4.5 |
80.5 |
80.5 |
20 |
10.85 |
| Gl-250 |
250 |
330 |
45 |
269 |
292 |
300 |
8-12 |
258 |
8 |
4.5 |
103 |
103 |
22.5 |
16.1 |
| Gl-300 |
300 |
380 |
55 |
358 |
368 |
350 |
8-14 |
308 |
8 |
4.5 |
123 |
123 |
27.5 |
23.7 |