
概述
D941X電動法蘭式軟密封蝶閥通常由角行程電動執行機構(0~90°部分回轉)和蝶閥整體通過機械連接,經過安裝調試后共同組成。電動法蘭蝶閥結構簡單、體積小、重量輕,只由少數幾個零件組成。電動法蘭蝶閥處于完全開啟位置時,蝶板厚度是介質流經閥體時唯一的阻力,因此通過該閥門所產生的壓力降很小,故具有較好的流量控制特性。電動法蘭蝶閥主要有三偏心和單偏心兩個結構形式,密封形式有金屬密封和四氟密封及橡膠密封三種。金屬密封結構主要適用于≥300度以上的工況場合;四氟密封結構適用于≥180度以內的工況場合;四氟密封結構適用于≥120度以內的工況場合;電動法蘭蝶閥配用的角行程電動執行機構可直接接收計算機或工業儀表等輸出的4~20mADC或1~5VDC控制信號,根據閥位反饋信號與設定值比較偏差對執行機構驅動電機進行智能步距調整(PID調節),以實現與執行機構配套的閥門或其他裝置開度的精確定位,同時輸出4~20mADC的位置反饋信號。目前電動法蘭蝶閥廣泛應用與石油、化工、冶金、輕工、造紙、電站、制冷等工作領域。
特點
- 體積小、重量輕、操作輕巧、便于安裝、維修。
- 密封性能優良可靠、零泄漏,使用壽命長。
- 流量特性趨于直線,調節性能最優。
- 結構簡單,開關迅速,90°旋轉啟閉。
- 可代替閘閥、截止閥、旋塞閥、膠管閥及隔膜閥等各種閥的使用。
技術參數
| 公稱通徑DN(mm) |
50~1200 |
| 公稱壓力 |
PN1.0、1.6、2.5MPa |
| 法蘭標準 |
JB/T79、GB/T9113、HG20594-97 |
| 連接形式 |
法蘭式 |
| 閥板形式 |
垂直板式 |
| 流量特性 |
近似快開型 |
| 動作范圍 |
0~90° |
| 泄露量 |
按GB/T4213-92,為Kv值的10-4 |
| 基本誤差 |
±2.5% |
| 回差 |
±2.5% |
| 死區 |
1% (可調) |
| 可調范圍 |
50:1 |
| 配置執行機構 |
可配PSQ、HQ、UNIC、361RS、JO等系列角行程電動執行機構 |
| 控制方式 |
開關到位燈(開關兩位控制)、智能調節(4~20mA模擬量信號控制) |
執行器技術參數
| 執行器類別 |
引進型JO系列執行器參數 |
引進型3610R系列執行器參數 |
引進型HQ系列執行器參數 |
| 電源電壓 |
標準:220V AC單相 可選:110V AC 單相、380/440V AC 三相、24V/110V/220V AC |
| 輸出力矩 |
50N·M~2000N·M |
50N·M~1500N·M |
50N·M~3000N·M |
| 動作范圍 |
0~90° 0~360° |
0~90° |
0~90°、0°~270°可選 |
| 控制方式 |
開關到位燈(開關兩位控制)、無源觸點信號、1/5K電位計、智能調節(4~20mA模擬量信號控制) |
| 動作時間 |
15秒/30秒/60秒 |
10秒/15秒/30秒 |
18S~112S |
| 保護裝置 |
過熱保護 |
過載保護 |
內置過熱保護、過載保護 |
| 環境溫度 |
-30°~60° |
-30°~60° |
-20℃~+70℃ |
| 手動操作 |
同附帶手柄操作 |
同附帶手柄操作 |
機械離合機構,配手輪操作 |
| 機械限位 |
電氣、機械二重限位 |
電氣、機械二重限位 |
2個外部調整螺栓 |
| 防護等級 |
IP65 |
IP55 |
IP65、IP67、可定制IP68 |
| 防爆等級 |
無防爆 |
ExdⅡ BT4 |
ExdⅡ BT4,ExdⅡ CT6 |
| 位置測量 |
可選裝開關或電位計 |
比例控制單元 |
電位計、比例控制單元 |
| 驅動電機 |
8W/E |
AC可逆電機 |
鼠籠式異步電機 |
| 進線接口 |
PE1/2〞進線線鎖 |
2-PF 1/2〞進線線鎖 |
2個 PF 3/4” |
| 殼體材料 |
鋁合金 |
鋼,鋁合金 |
鋼,鋁合金,鋁青銅,聚碳酸脂 |
| 外涂層 |
干粉,環氧聚酯,具有超強防腐功能 |
零件材料
| 零件名稱 |
材料名稱 |
| 閥體 |
鑄鐵、鑄鋼、不銹鋼、鉻鉬鋼、合金鋼 |
| 蝶板 |
鑄鋼、合金鋼(鍍硬鉻)、不銹鋼、鉻鉬鋼 |
| 密封圈 |
橡膠、PTFE、PPL、不銹鋼、聚內脂、抗磨材料 |
| 閥桿 |
2Cr13、1Cr13不銹鋼、鉻鉬鋼 |
| 填料 |
聚四氟乙烯、柔性石墨 |
性能規范
| 公稱通徑DN(mm) |
DN50~1200 |
| 公稱壓力 |
PN(MPa) |
0.6 |
1.0 |
1.6 |
2.5 |
| 試驗壓力 |
強度試驗 |
0.9 |
1.5 |
2.4 |
3.75 |
| 密封試驗 |
0.66 |
1.1 |
1.76 |
2.75 |
| 低壓氣密試驗 |
0.5~0.7 |
| 適用介質 |
水、油、蒸氣、硝酸類(溫度≤200℃)、醋酸類(溫度≤200℃) |
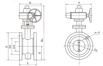
D941X/J-(6.10.16)Z.Q.C.P.R系列
| 公稱通徑 |
結構長度(標準值) |
外形尺寸(參考值) |
連接尺寸(標準值) |
參考重量 |
| 0.6MPa |
1.0 MPa |
1.6 MPa |
| 毫米 |
英寸 |
L |
H |
Ho |
A |
B |
D |
D1 |
D2 |
n-d |
D |
D1 |
D2 |
n-d |
D |
D1 |
D2 |
n-d |
| 50 |
2 |
108 |
82.5 |
443 |
125 |
125 |
140 |
110 |
88 |
4-14 |
165 |
125 |
99 |
4-18 |
165 |
125 |
99 |
4-18 |
13 |
| 65 |
21/ |
112 |
92.5 |
463 |
125 |
125 |
160 |
130 |
108 |
4-14 |
185 |
145 |
118 |
4-18 |
185 |
145 |
118 |
4-18 |
14 |
| 80 |
3 |
114 |
100 |
483 |
125 |
125 |
190 |
150 |
124 |
4-18 |
200 |
160 |
132 |
8-18 |
200 |
160 |
132 |
8-18 |
15.5 |
| 100 |
4 |
127 |
110 |
498 |
125 |
125 |
210 |
170 |
144 |
4-18 |
220 |
180 |
156 |
8-18 |
220 |
180 |
156 |
8-18 |
19.5 |
| 125 |
5 |
140 |
125 |
682 |
325 |
245 |
240 |
200 |
174 |
8-18 |
250 |
210 |
184 |
8-18 |
250 |
210 |
184 |
8-18 |
25.5 |
| 150 |
6 |
140 |
142.5 |
736 |
325 |
245 |
265 |
225 |
199 |
8-18 |
285 |
240 |
211 |
8-22 |
285 |
240 |
211 |
8-22 |
28.5 |
| 200 |
8 |
152 |
170 |
800 |
325 |
245 |
320 |
280 |
254 |
8-18 |
340 |
295 |
266 |
8-22 |
340 |
295 |
266 |
12-22 |
48 |
| 250 |
10 |
165 |
197.5 |
895 |
363 |
313 |
375 |
335 |
309 |
12-18 |
395 |
350 |
319 |
12-22 |
405 |
355 |
319 |
12-26 |
69 |
| 300 |
12 |
178 |
222.5 |
956 |
363 |
313 |
440 |
395 |
363 |
12-22 |
445 |
400 |
370 |
12-22 |
460 |
410 |
370 |
12-26 |
91 |
| 350 |
14 |
190 |
252.5 |
1029 |
363 |
313 |
490 |
445 |
413 |
12-22 |
505 |
460 |
429 |
16-22 |
520 |
470 |
429 |
16-26 |
110 |
| 400 |
16 |
216 |
282.5 |
1103 |
363 |
313 |
540 |
495 |
463 |
16-22 |
565 |
515 |
480 |
16-26 |
580 |
525 |
480 |
16-30 |
140 |
| 450 |
18 |
222 |
307.5 |
1186 |
465 |
439 |
595 |
550 |
518 |
16-22 |
615 |
565 |
530 |
20-26 |
640 |
585 |
548 |
20-30 |
180 |
| 500 |
20 |
229 |
335 |
1280 |
546 |
431 |
645 |
600 |
568 |
20-22 |
670 |
620 |
582 |
20-26 |
715 |
650 |
609 |
20-33 |
215 |
| 600 |
24 |
267 |
390 |
1321 |
546 |
556 |
755 |
705 |
667 |
20-26 |
780 |
725 |
682 |
20-30 |
840 |
770 |
720 |
20-36 |
290 |
| 700 |
28 |
430 |
447.5 |
1431 |
546 |
556 |
860 |
810 |
772 |
24-26 |
895 |
840 |
794 |
24-30 |
910 |
840 |
794 |
24-36 |
560 |
| 800 |
32 |
470 |
507.5 |
1542 |
546 |
556 |
975 |
920 |
878 |
24-30 |
1015 |
950 |
901 |
24-33 |
1025 |
950 |
901 |
24-39 |
910 |
| 900 |
36 |
510 |
557.5 |
1800 |
617 |
706 |
1075 |
1020 |
978 |
24-30 |
1115 |
1050 |
1001 |
28-33 |
1125 |
1050 |
1001 |
28-39 |
1500 |
| 1000 |
40 |
550 |
615 |
2363 |
632 |
706 |
1175 |
1120 |
1078 |
28-30 |
1230 |
1160 |
1112 |
28-36 |
1255 |
1170 |
1112 |
28-42 |
1750 |
| 1200 |
48 |
630 |
727.5 |
2583 |
632 |
706 |
1405 |
1340 |
1295 |
32-33 |
1455 |
1380 |
1328 |
32-39 |
1485 |
1390 |
1328 |
32-48 |
2180 |
| 1400 |
56 |
710 |
837.5 |
2710 |
790 |
1338 |
1630 |
1560 |
1510 |
36-36 |
1675 |
1590 |
1530 |
36-42 |
1685 |
1590 |
1530 |
36-48 |
2400 |
| 1600 |
64 |
790 |
957.5 |
2845 |
868 |
1476 |
1830 |
1760 |
1710 |
40-36 |
1915 |
1820 |
1750 |
40-48 |
1930 |
1820 |
1750 |
40-56 |
2870 |
| 1800 |
72 |
870 |
1057 |
3060 |
868 |
1476 |
2045 |
1970 |
1918 |
44-39 |
2115 |
2020 |
1950 |
44-18 |
2130 |
2020 |
1950 |
44-56 |
3380 |
| 2000 |
80 |
950 |
1162.5 |
3350 |
965 |
1600 |
2265 |
2180 |
2125 |
48-42 |
2325 |
2230 |
2150 |
48-48 |
2345 |
2230 |
2150 |
48-62 |
4010 |
產品選型
- 閥體參數:公稱通徑、工作壓力、工藝介質、使用場合、閥體材料等系列參數。
- 執行器參數:電源電壓、控制方式、控制信號(4-20mA,1-5V)、作用方式(電-開式,電-關式)
注:若用戶需用閥板襯橡膠等特殊要求,訂貨時請注明